Description
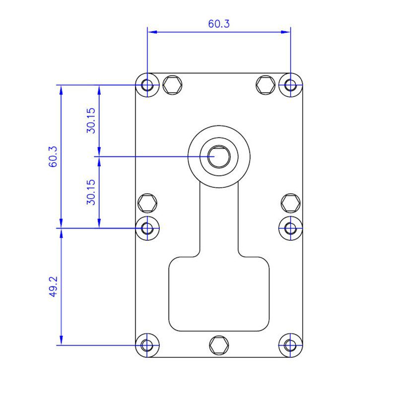
Motoréducteur de vis sans fin Cadel – 2 RPM / ⌀9.5
Le Motoréducteur de vis sans fin Cadel – 2 RPM / ⌀9.5, est la pièce maîtresse pour assurer l’alimentation constante de votre poêle à pellets. Ce motoréducteur est réputé pour sa robustesse, son couple élevé et son silence de fonctionnement exceptionnel.
Pourquoi choisir ce motoréducteur ?
Ce modèle est spécifiquement conçu pour les conditions exigeantes des appareils de chauffage à biomasse. Contrairement aux moteurs standards, il offre :
-
Démarrage Haute Performance : Un couple de démarrage puissant capable de briser un granulé coincé sans bloquer le mécanisme.
-
Silence de fonctionnement : Grâce à ses pignons usinés avec précision, il réduit les vibrations et les bruits parasites dans votre salon.
-
Durabilité éprouvée : Conçu pour fonctionner sur des cycles longs et répétitifs sans surchauffe.
-
Compatibilité étendue : C’est un standard utilisé par de nombreuses marques de poêles.
Symptômes d’un moteur à remplacer
Ne restez pas dans le froid ! Identifiez rapidement si votre moteur de vis sans fin est défaillant :
-
La vis sans fin ne tourne plus malgré la mise sous tension, par conséquent. Les pellets ne descendent plus dans le creuset.
-
Le moteur tourne « à vide » (pignons internes cassés).
-
Le moteur chauffe anormalement sans parvenir à entraîner les granulés.
-
Le bruit de la rotation devient strident ou irrégulier.
Guide : Comment remplacer votre motoréducteur en 5 étapes
Pas besoin d’être un ingénieur, mais un peu de méthode est nécessaire. Note : Débranchez toujours l’appareil avant toute intervention.
-
Accès au moteur : Coupez l’alimentation électrique de votre poêle et retirez les panneaux latéraux ou arrière de votre poêle.
-
Repérage : Prenez une photo du câblage électrique (souvent deux fils sur cosses) avant de débrancher.
-
Démontage : Desserrez la vis de pression qui maintient l’axe du moteur sur la vis sans fin, puis retirez les vis de fixation au châssis.
-
Installation : Placez le nouveau moteur en alignant bien le méplat de l’axe. Resserrez fermement la vis de pression.
-
Test : Rebranchez et lancez une phase de chargement manuel des granulés pour vérifier la rotation fluide.
Le conseil du Ramoneur Picard
« Le motoreducteur est un ‘tracteur’ mais attention, même le meilleur moteur souffrira si votre granulé est trop humide ou chargé de sciure. Lors du remplacement, profitez-en pour vider entièrement votre réservoir et aspirer la poussière au fond de la goulotte. C’est le secret pour doubler la durée de vie de votre nouvelle pièce ! »
Voir notre tuto pour démonter et remonter votre Motoreducteur : ici












Avis
Il n’y a pas encore d’avis.